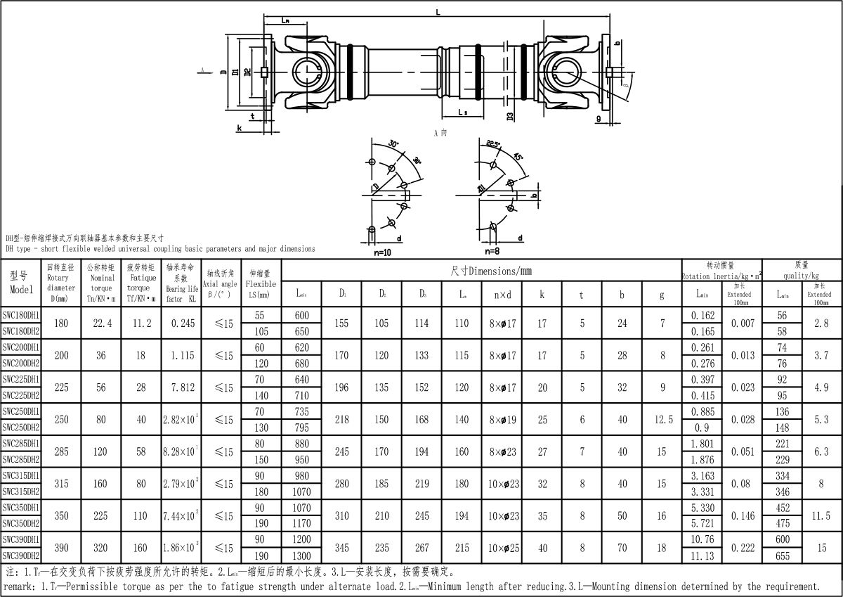
萬向聯軸器
您當前位置:萬向聯軸器-
時間:2019-10-28
瀏覽量:3113
電話
傳真
手機
返回頂部
杭州鑫凱傳動機械有限公司
電話:0571-82951988
地址:杭州市蕭山區新灣街道共裕村617號
VR二維碼
官網二維碼